Министерство Юстиции Российской Федерации версия для слабовидящих
ПРИКАЗ Федеральной антимонопольной службы от 19.12.2025 N 1128/25
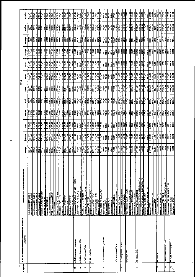
"ОБ УТВЕРЖДЕНИИ ЦЕН (ТАРИФОВ) НА ЭЛЕКТРИЧЕСКУЮ ЭНЕРГИЮ НА 2026 ГОД, ПОСТАВЛЯЕМУЮ В УСЛОВИЯХ ОГРАНИЧЕНИЯ ИЛИ ОТСУТСТВИЯ КОНКУРЕНЦИИ ПРИ ВВЕДЕНИИ ГОСУДАРСТВЕННОГО РЕГУЛИРОВАНИЯ"
(Зарегистрировано в Минюсте РФ 29.01.2026 N 85114)
Показывать страниц:
Для качественной печати: PDF-файл документа (2 Мб)
Страница 8 из 13