Министерство Юстиции Российской Федерации версия для слабовидящих
ПРИКАЗ Федерального дорожного агентства от 29.03.2012 N 97
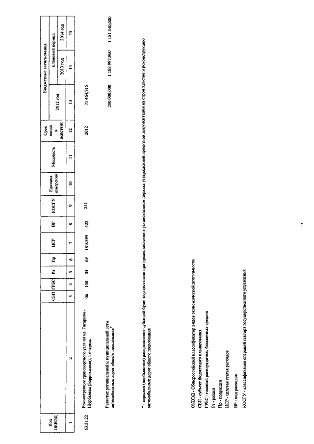
"ОБ АДРЕСНОМ (ПООБЪЕКТНОМ) РАСПРЕДЕЛЕНИИ СУБСИДИЙ, ПРЕДОСТАВЛЯЕМЫХ В 2012 - 2014 ГОДАХ ИЗ ФЕДЕРАЛЬНОГО БЮДЖЕТА БЮДЖЕТАМ СУБЪЕКТОВ РОССИЙСКОЙ ФЕДЕРАЦИИ НА СОФИНАНСИРОВАНИЕ ОБЪЕКТОВ СТРОИТЕЛЬСТВА И РЕКОНСТРУКЦИИ АВТОМОБИЛЬНЫХ ДОРОГ ОБЩЕГО ПОЛЬЗОВАНИЯ РЕГИОНАЛЬНОГО ИЛИ МЕЖМУНИЦИПАЛЬНОГО И МЕСТНОГО ЗНАЧЕНИЯ, ИМЕЮЩИХ ОБЩЕГОСУДАРСТВЕННОЕ ИЛИ МЕЖРЕГИОНАЛЬНОЕ ЗНАЧЕНИЕ, В РАМКАХ РЕАЛИЗАЦИИ ПОДПРОГРАММЫ "АВТОМОБИЛЬНЫЕ ДОРОГИ" ФЕДЕРАЛЬНОЙ ЦЕЛЕВОЙ ПРОГРАММЫ "РАЗВИТИЕ ТРАНСПОРТНОЙ СИСТЕМЫ РОССИИ (2010 - 2015 ГОДЫ)", УТВЕРЖДЕННОЙ ПОСТАНОВЛЕНИЕМ ПРАВИТЕЛЬСТВА РОССИЙСКОЙ ФЕДЕРАЦИИ ОТ 5 ДЕКАБРЯ 2001 Г. N 848"
(Зарегистрировано в Минюсте РФ 28.04.2012 N 24015)
Показывать страниц:
Для качественной печати: PDF-файл документа (494 Кб)
Страница 17 из 17